热线电话
13040700003
手机扫码访问
①针对干燥行业、锅炉行业、清洗行业、涂装行业、食品烘干行业配套而研发的耐高温离心风机。
②输送的气体为空气或其他不自燃、不自爆、无缠绕性、对人体无害、对钢铁材料无腐蚀的气体。也可为各行业输送无腐蚀性、不自燃、不含粘性物质的热气、蒸汽、烟气。其它性能相近的也可以选用,但输送介质的温度不得超过它的额定温度范围。
③气体内不能有粘性物质,所含的尘土及硬质颗粒不大于150mg/m³,如果含尘量大,在风机前必须加装准备就绪不低于85%的除尘装置,降低进入风机的烟气含尘量,有利于提高风机寿命。
①此类风机有两种形式。从电机一侧正视,叶轮顺时针旋转的称为右旋风机,以“右”表示;叶轮逆时针旋转的称为左旋风机,以“左”表示。
②风机的出口位置,以机壳的出风口角度表示。风机出厂时均做成一种可调型式,使用单位根据要求在安装成所需要的位置。出风口位置调整范围是0°-255°,间隔是45°。传动方式均为“A”式直联传动。
①风机主要由叶轮、机壳、进风口、电机、连接器、散热风叶等部分组成。
②进风口采用收敛流线型减涡形式,气流损失较小,风机的工作效率高。
③TSN-A型叶轮采用多翼式单进离心叶轮,用优质的镀锌板或者冷轧钢板制成,叶片依据空气动力原理设计。TSN-C型叶轮由10个后倾机翼型叶片、曲线形前盘和平板后盘组成。材料用强度高、耐用性好的优质钢板制造,并经严格的动静平衡校正。空气性能良好,效率高,运转平稳。
④风机机壳与电机以金属铸件安装连接,电机轴头上安装散热枫叶,金属铸件的外壁开设进、出水管接头,对金属铸件与轴头进行降温,确保电机在高温下正常运行。
⑤其他机采用特殊高温电机,风机流体部分采用耐温材料,降温结构性可靠。相比其它锅炉引风机,TSN-C型结构简单,维护方便,性价比高等优点。
| 类 型 | 机 号 | 功 率 | 转 速 | 流 量 | 全 压 |
| 高速型 | (TSN-) | (Kw) | (r/min) | (m³/h) | (Pa) |
| A1 | 0.37 | 2900 | 755-1111 | 754-712 | |
| A2 | 0.75 | 2900 | 1428-2524 | 1138-931 | |
| A3 | 2.2 | 2900 | 1381-2980 | 1523-1259 | |
| 低速型 | B1 | 0.25 | 1450 | 850-1500 | 300-290 |
| B2 | 0.75 | 1450 | 960-2086 | 490-400 | |
| B3 | 1.1 | 1450 | 2257-3886 | 650-550 | |
| B4 | 2.2 | 1450 | 3587-5552 | 900-750 | |
| B5 | 3 | 1450 | 4568-7412 | 1150-1250 |


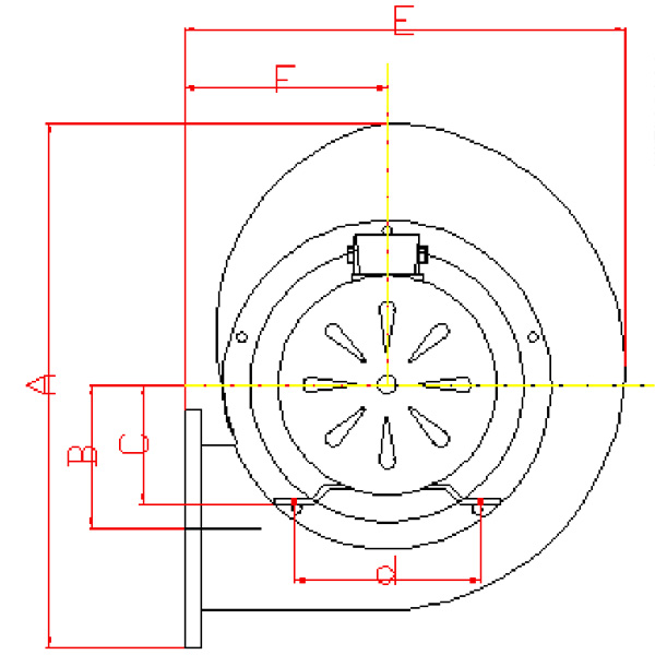
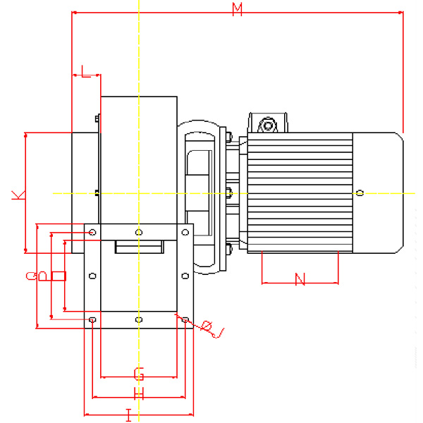
| 型 号 | A | B | C | D | E | F | G | H | I | J | K | L | M | N | O | P | Q |
| TSN-A1 | 287 | 105 | 71 | 112 | 241 | 111 | 90 | 110 | 130 | 7 | 150 | 35 | 395 | 90 | 90 | 110 | 130 |
| TSN-A2 | 385 | 128 | 71 | 112 | 331 | 151 | 130 | 155 | 180 | 8 | 160 | 31 | 440 | 90 | 151 | 180 | 205 |
| TSN-A3 | 496 | 167 | 90 | 140 | 413 | 188 | 125 | 155 | 185 | 12 | 200 | 27.5 | 501.5 | 125 | 210 | 240 | 270 |
| TSN-B1 | 385 | 128 | 71 | 112 | 331 | 151 | 130 | 155 | 180 | 8 | 160 | 31 | 440 | 90 | 151 | 180 | 205 |
| TSN-B2 | 496 | 167 | 80 | 125 | 413 | 188 | 125 | 155 | 185 | 12 | 200 | 28 | 467 | 140 | 210 | 240 | 270 |
| TSN-B3 | 549 | 226 | / | 140 | 469 | 219 | 170 | 201 | 230 | 10 | 305 | 25 | 521 | 100 | 200 | 231 | 260 |
| TSN-B4 | 621.5 | 226 | / | 160 | 549 | 259 | 200 | 231 | 260 | 10 | 350 | 22 | 651 | 140 | 215 | 246 | 275 |
| TSN-B5 | 724 | 272 | / | 160 | 627 | 292 | 210 | 240 | 270 | 10 | 340 | 40 | 679 | 140 | 250 | 279 | 340 |





品质包期为一年,终生维修。
在质保期内,我方会在接到用户通知后4-6小时内作出报修响应,并在某24-72小时内免费提供维修服务,调整或更换有缺陷零部件或设备。在保修期间,根据用户需要,如需要到现场进行维修的只收取工本费。为用户提供分析系统的升级服务。
当客户在设备出现问题或故障后需要寻求帮助,首先可以通过热线电话或网络请求帮助和指导,客户服务部在确认客户的服务请求后,将安排技术人员在规定的时间内通过电话帮助客户进行故障定位,并提交解决方案,终指导客户解决问题或排除设备故障。
客户在使用设备时遇到疑难或者设备出现不正常状态,通过电话或传真向公司寻求技术支持和帮助,客户服务部在确认客户的请求后,如果不能通过热线电话服务解决设备的技术故障,在经过双方商议后确定需要进行现场故障排除的情况下,客户服务部指派工程师在承诺的时间内赴现场分析故障原因,制定故障排除方案,并终排除故障。
工程师在完成现场服务后,应针对本次故障出现的原因和故障排除方法对客户进行现场培训,同事对客户再使用过程中遇到的问题进行技术交流,以便客户以后能够独立排除类似的设备故障。
在节假日(国家法定节假日)期间,除继续开通服务热线外,安排服务工程师值班,使客户在设备使用过程中出现问题时能够及时得到服务支持,为客户提供周到体贴的服务。

浙江省金华市金东区孝顺镇低田工业区三伍厂内